Note
This chapter is not applicable due to different national regulations for Germany and Switzerland. For further information, please contact the Product Technology department of the respective country!
Fastening with fixed and sliding clips is carried out according to structural requirements. National standards and trade rules may stipulate different requirements and must be taken into account. In the tables below you will find the specification of the minimum clip number [piece/m²] depending on the terrain category, building height and basic wind speed.
The specified minimum numbers of clips takes into account a partial safety factor of 1.35 and are to be understood as theoretically determined values. R = edge area (External pressure coefficient cpe = -2.9), N =main area (External pressure coefficient cpe = -1.3).
Terrain category II
Basic speed pressure [kN/m²] |
Basic speed [m/sec] |
Building height < 15 [m] |
Building height 15-30 [m] |
Building height 30-50 [m] |
N | R [pcs./m²] |
N | R [pcs./m²] |
N | R [pcs./m²] |
||
≤ 0.32 |
≤ 22.5 |
3.7 | 8.2 |
4.3 | 9.7 |
4.9 | 10.9 |
≤ 0.39 |
≤ 25.0 |
4.5 | 10.0 |
5.3 | 11.8 |
6.0 | 13.3 |
≤ 0.47 |
≤ 27.5 |
5.4 | 12.0 |
6.4 | 14.2 |
7.2 | 16.1 |
≤ 0.56 |
≤ 30.0 |
6.4 | 14.3 |
7.6 | 16.9 |
8.6 | 19.1 |
Terrain category III
Basic speed pressure [kN/m²] |
Basic speed [m/sec] |
Building height < 15 [m] |
Building height 15-30 [m] |
Building height 30-50 [m] |
N | R [pcs./m²] |
N | R [pcs./m²] |
N | R [pcs./m²] |
||
≤ 0.32 |
≤ 22.5 |
3.1 | 7.0 |
3.8 | 8.5 |
4.4 | 9.9 |
≤ 0.39 |
≤ 25.0 |
3.8 | 8.5 |
4.7 | 10.4 |
5.4 | 12.0 |
≤ 0.47 |
≤ 27.5 |
4.6 | 10.2 |
5.6 | 12.5 |
6.5 | 14.5 |
≤ 0.56 |
≤ 30.0 |
5.5 | 12.2 |
6.7 | 14.9 |
7.7 | 17.3 |
Terrain category IV
Basic speed pressure [kN/m²] |
Basic speed [m/sec] |
Building height < 15 [m] |
Building height 15-30 [m] |
Building height 30-50 [m] |
N | R [pcs./m²] |
N | R [pcs./m²] |
N | R [pcs./m²] |
||
≤ 0.32 |
≤ 22.5 |
2.2 | 5.0 |
2.9 | 6.4 |
3.5 | 7.8 |
≤ 0.39 |
≤ 25.0 |
2.7 | 6.0 |
3.5 | 7.9 |
4.3 | 9.5 |
≤ 0.47 |
≤ 27.5 |
3.3 | 7.3 |
4.2 | 9.5 |
5.2 | 11.5 |
≤ 0.56 |
≤ 30.0 |
3.9 | 8.7 |
5.1 | 11.3 |
6.1 | 13.7 |
The specified minimum numbers of clips takes into account a partial safety factor of 1.35 and are to be understood as theoretically determined values. R = edge area (External pressure coefficient cpe = -2.9), N =main area (External pressure coefficient cpe = -1.3).
Terrain category II
Basic speed pressure [kN/m²] |
Basic speed [m/sec] |
Building height < 15 [m] |
Building height 15-30 [m] |
Building height 30-50 [m] |
N | R [pcs./m²] |
N | R [pcs./m²] |
N | R [pcs./m²] |
||
≤ 0.32 |
≤ 22.5 |
4.2 | 9.3 |
4.9 | 10.9 |
5.5 | 12.4 |
≤ 0.39 |
≤ 25.0 |
5.1 | 11.3 |
6.0 | 13.3 |
6.8 | 15.1 |
≤ 0.47 |
≤ 27.5 |
6.1 | 13.6 |
7.2 | 16.1 |
8.1 | 18.2 |
≤ 0.56 |
≤ 30.0 |
7.3 | 16.2 |
8.6 | 19.1 |
9.7 | 21.6 |
Terrain category III
Basic speed pressure [kN/m²] |
Basic speed [m/sec] |
Building height < 15 [m] |
Building height 15-30 [m] |
Building height 30-50 [m] |
N | R [pcs./m²] |
N | R [pcs./m²] |
N | R [pcs./m²] |
||
≤ 0.32 |
≤ 22.5 |
3.5 | 7.9 |
4.3 | 9.6 |
5.0 | 11.2 |
≤ 0.39 |
≤ 25.0 |
4.3 | 9.6 |
5.3 | 11.7 |
6.1 | 13.6 |
≤ 0.47 |
≤ 27.5 |
5.2 | 11.6 |
6.3 | 14.1 |
7.4 | 16.4 |
≤ 0.56 |
≤ 30.0 |
6.2 | 13.8 |
7.6 | 16.9 |
8.8 | 19.5 |
Terrain category IV
Basic speed pressure [kN/m²] |
Basic speed [m/sec] |
Building height < 15 [m] |
Building height 15-30 [m] |
Building height 30-50 [m] |
N | R [pcs./m²] |
N | R [pcs./m²] |
N | R [pcs./m²] |
||
≤ 0.32 |
≤ 22.5 |
2.5 | 5.6 |
3.3 | 7.3 |
4.0 | 8.9 |
≤ 0.39 |
≤ 25.0 |
3.1 | 6.8 |
4.0 | 8.9 |
4.8 | 10.8 |
≤ 0.47 |
≤ 27.5 |
3.7 | 8.2 |
4.8 | 10.7 |
5.8 | 13.0 |
≤ 0.56 |
≤ 30.0 |
4.4 | 9.8 |
5.7 | 12.8 |
6.9 | 15.5 |
Note
Irrespective of the calculated values, the clip spacing must not exceed 330 mm in the fixed area and 500 mm in the sliding clip area. In areas where seam clamps (for snow guards, PV system or similar) are attached to the seam, clip spacing may not exceed 330 mm!
Calculation of the clip spacing based on the panel width and the required number of clips/m²:
100: (Panel width [m] × clip number [Pcs./m²]) = clip spacing [cm] [max. clip spacing 50 cm, max. fixed clip spacing 33 cm]
Comment
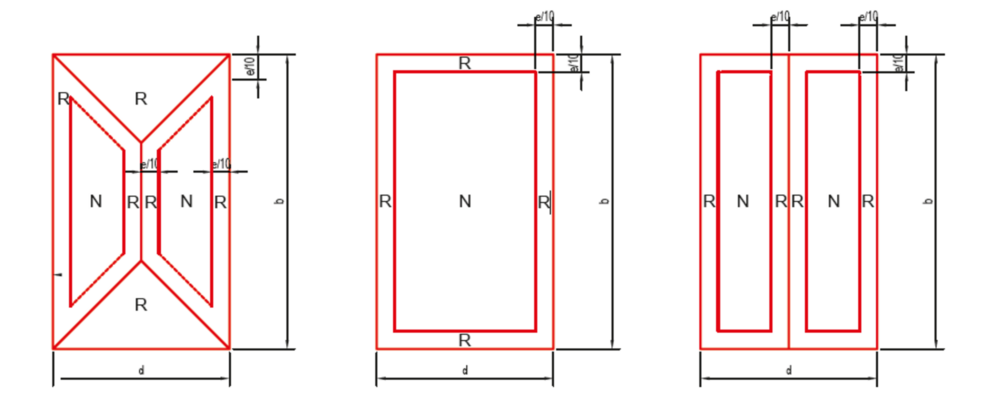
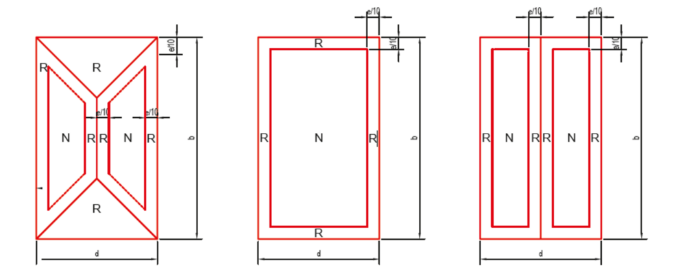
e = b or 2*h (whichever is smaller) – distance refers to the base area
ed = spacing on the roof surface; ed = (e/10) / (cos)
b = greatest building width
h = greatest building height
a = roof pitch
Example:
Site |
Innsbruck |
|---|---|
Building in terrain category |
II |
Greatest building height |
10.5 m |
Basic speed |
27.1 m /sec |
Max. panel width acc. Table 1 |
43 cm |
Number of clips for the edge area acc. to Table 2 |
12.0 pcs./m² |
Clip number for normal area acc. Table 2 |
5.4 pcs./m² |
Edge area (R) = 100 : (0.43 m × 12.0 pcs./m²) = 19.4 cm → 19 cm clip spacing [max. clip spacing 50 cm, max. fixed clip spacing 33 cm]
Main area (N) = 100 : (0.43 m × 5.4 pcs./m²) = 43.1 cm → 43 and 33 cm clip spacing [max. clip spacing 50 cm, max. fixed clip spacing 33 cm]
You can only download content from one product category. If you require content from multiple categories, please create a separate download for each product area.